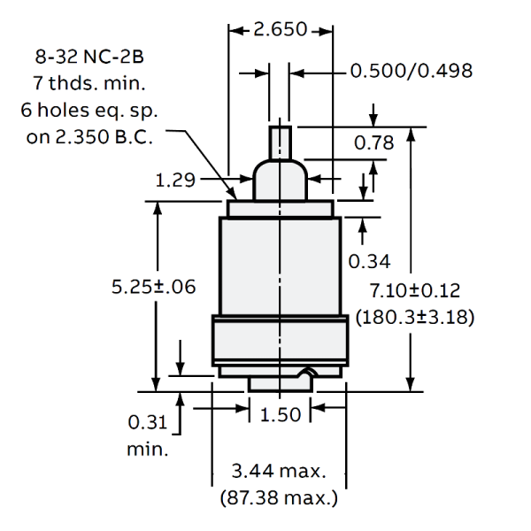
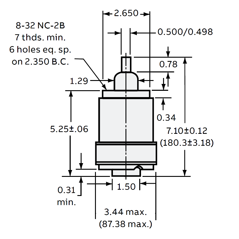
Jennings CVCD-1500-5D2990 ceramic, vacuum, variable capacitor
| Rated Capacitance | 10-1500 pF |
| Peak Voltage | 5 KV |
| Current Amps (RMS) Maximum | 109 Amps |
| Shaft Diameter | 1/2 inch |
| Turns for Full Travel Max | 26 |
| Important Dimensions | |
| Max Length | 7.10 in / 180.00 mm (including shaft) |
| Max Diameter | 3.46 in / 86.00 mm |
| Weight | 56.32 oz / 1596.65 g |
| Mounting | |
| 6 drilled and tapped holes for front end mounting. FM1H Flange needed for rear end mounting. (Available at additional cost) See our flange page: Vacuum Capacitor Flanges | |
| Condition | Removed from equipment, checked and guaranteed |
| (Other variations of this capacitor are sometimes available, inquire) | ||
| CVCD-1500-5D2990 | CVCD-1500-5S | CVCD-1500-3S |
| CVCD-1500 | CVCD-1500-5 | CVCD-1500-3 |
Rear End Mounting Flange FM-1H
Shaft, Knobs, and Mounting Accessories
Other Vacuum Variable capacitors with Maximum Capacitance of 1001 pF and Over
All Available Vacuum Capacitors by Capacitance
“Out of spec” and “budget” capacitors:
If you want the quality and performance of vacuum capacitors, but the budget just won’t allow it, (or if you are just looking to save some money) we frequently have “out of spec” capacitors. These capacitors do not meet the specifications for the particular model. This can happen because of many reasons, but they are still perfectly usable in other capacitance ranges or maximum voltages.
For instance, we might have a type that is listed at 15 kv, but tests good to 12 kv. In this case, we will not sell it to a user who needs 15 kv ratings, but if you need only 5 kv, 7.5 kv, or 10 kv, this capacitor would do nicely. If you want us to check our “out of spec” shelves for current stock, just tell us your capacitance range and voltage requirements (and current rating if you know it… or approximate power level) and we will let you know what we have available at steep discounts! Inquire here!
“SCRATCH AND DENT”
We also frequently have in stock many vacuum capacitors which have cosmetic blemishes such as dents, which would not meet our high standards for regular sale, but which still check good, both in range, and in their ability to withstand voltage.
Some dents will damage or totally destroy a capacitor. Others, if they occur in just the right places, cause no harm at all. We have the knowledge and test capability to make these determinations, and if they pass our stringent testing, sell these units at discounted prices with our regular guarantee! If interested in these units, please inquire as to current availability.
If you don’t see what you wanted:
These pages show only a fraction of the stock we have available. We have many thousands of vacuum capacitors, both fixed and variable, as well as vacuum relays. This stock changes daily. If you have requirements for items not listed in these product lines, please Email, and our knowledgeable staff will search our inventory. (Don’t forget to give us your email address and contact information!)
Did you know?
We will buy your used and overstock vacuum capacitors and vacuum relays?
Max-Gain Systems, Inc. is the one source to liquidate your excess inventory of vacuum capacitors and vacuum relays. REDUCE warehousing costs, REDUCE aging inventory & OPTIMIZE warehouse space by selling us your unwanted inventory. New and old stock, used and even removed from working equipment, one unit to one thousand plus, you can make money as well as go green. In addition, most of the surplus items we buy are able to go right back into facilities and into the hands of individuals that need a low cost replacement to keep their plants and broadcast stations up and running.
Sell your New and Used Overstock vacuum capacitors and vacuum relays by emailing us. Please include how many, the manufacturer’s part number, and their condition, along with your full contact information. We will reply within one business day.






















































